Envoyer une demande maintenant
Caractéristiques du produit:
Conception à faible inertie : Fabriqué à partir de matériaux légers (comme un alliage d'aluminium), il réduit la consommation d'énergie et convient à un fonctionnement de longue durée à vitesse faible à moyenne.
Adapté aux charges légères : sa structure optimisée transmet efficacement la tension sur les bandes transporteuses légères, évitant ainsi une usure excessive.
Besoins en énergie d'entraînement réduits : diminue la charge du moteur et améliore l'efficacité énergétique.
Le profil des dents correspond parfaitement à la courroie synchrone, assurant un fonctionnement sans glissement et un rapport de transmission stable.
Prévient les déviations et les vibrations de la courroie, assurant ainsi un transport fluide des marchandises transportées.
Faible niveau sonore en fonctionnement, adapté aux environnements de production silencieux (tels que les ateliers de transformation alimentaire et les salles d'assemblage électronique).
Pas de dent précis : assure la synchronisation de la vitesse et de la position du convoyeur, minimisant ainsi le désalignement du produit.
Haute précision d'engrènement : réduit l'usure de la courroie et prolonge la durée de vie de la courroie et de la poulie.
Adapté aux chaînes de montage à fonctionnement long et continu.
Offrez une fiabilité économique grâce aux spécifications de pas standard de 5 mm et 10 mm. Doté d'un profil de dent optimisé pour un engrènement stable, il est spécialement conçu pour les transmissions légères et les conditions de couple standard.
Poulie de distribution T5
| Taper | Matériel | Traitement de surface | ||||
| Largeur de la courroie : 10 mm | Largeur de la courroie : 15 mm | Largeur de la courroie : 20 mm | Largeur de la courroie : 25 mm | Poulie | Bride | |
| A : 11 L : 16 P : 28 | A : 17 L : 22 P : 34 | A:22 L:27 P:39 | A : 27 L : 32 P : 44 | |||
| AW**T5100 | AW**T5150 | AW**T5200 | AW**T5250 | 6061 | 6061 | Anodisation naturelle | 
| AB**T5100 | AB**T5150 | AB**T5200 | AB**T5250 | Anodisation noire | ||
| AH**T5100 | AH**T5150 | AH**T5200 | AH**T5250 | anodisation dure | ||
| AN**T5100 | AN**T5150 | AN**T5200 | AN**T5250 | Placage nickelé | ||
| SF**T5100 | SF**T5150 | SF**T5200 | SF**T5250 | S45C | SPCC | Revêtement d'oxyde noir | 
| SN**T5100 | SN**T5150 | SN**T5200 | SN**T5250 | Placage nickelé | ||
Poulie de distribution T10
| Taper | Matériel | Traitement de surface | ||||||
| Largeur de la courroie : 15 mm | Largeur de la courroie : 20 mm | Largeur de la courroie : 25 mm | Largeur de la courroie : 30 mm | Largeur de la courroie : 40 mm | Largeur de la courroie : 50 mm | Poulie | Bride | |
| A : 17 L : 22 P : 37 | A:22 L:27 P:42 | A : 27 L : 32 P : 47 (52) | A : 32 L : 37 P : 52 (57) | A : 43 L : 48 P : 61 (63) | A : 53 L : 58 P : 70 | |||
| AW**T10150 | AW**T10200 | AW**T10250 | AW**T10300 | AW**T10400 | AW**T10500 | 6061 | 6061 | Anodisation naturelle | 
| AB**T10150 | AB**T10200 | AB**T10250 | AB**T10300 | AB**T10400 | AB**T10500 | Anodisation noire | ||
| AH**T10150 | AH**T10200 | AH**T10250 | AH**T10300 | AH**T10400 | AH**T10500 | anodisation dure | ||
| AN**T10150 | AN**T10200 | AN**T10250 | AN**T10300 | AN**T10400 | AN**T10500 | Placage nickelé | ||
| SF**T10150 | SF**T10200 | SF**T10250 | SF**T10300 | SF**T10400 | SF**T10500 | S45C | SPCC | Film protecteur d'oxyde ferroferrique | 
| SN**T10150 | SN**T10200 | SN**T10250 | SN**T10300 | SN**T10400 | SN**T10500 | Placage nickelé | ||
Poulie de distribution T5

Poulie de distribution T10

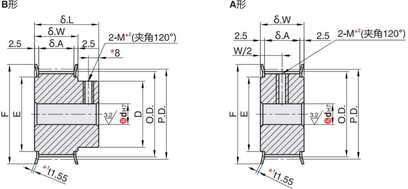
④ Profil de poulie


Les dimensions des rainures des dents varient légèrement en fonction du nombre de dents. Pas des dents (5 mm)
Pour les spécifications de trous d'arbre H (trou rond), V, F (trou étagé) et Y (trou étagé aux deux extrémités), il n'y a pas de trous taraudés.
L'intérieur du trou de l'arbre ne doit pas subir de traitement de surface.
* Pour les poulies de type A et les trous d'arbre avec des trous P ou N, les deux trous taraudés sont situés à environ 120° ou 90° du centre de la gorge de la dent.
④ Profil de poulie


L'entraxe des dents varie légèrement en fonction du nombre de dents. Entraxe (10 mm)
Pour 34, 50 et 60 dents, t = 2 (bride tournée).
Pour les spécifications de trous d'arbre H (trou rond), V, F (trou étagé) et Y (trou étagé aux deux extrémités), aucun trou fileté n'est présent.
L'intérieur du trou de l'arbre ne doit pas subir de traitement de surface.
Pour les poulies T10250 et T10300 avec 44 à 60 dents, le pas du trou est de 11 ; pour les poulies T10400 et T10600, le pas du trou est de (LW)/2.
Les dimensions entre parenthèses dans la dimension L font référence à des poulies de 44 à 60 dents.
* Pour les poulies de type A et les trous d'arbre de type P ou N, les deux trous taraudés sont situés à environ 120° ou 90° du centre de l'espace entre les dents.