Envoyer une demande maintenant
Caractéristiques du produit:
La structure des dents usinées avec précision assure un engagement ferme entre la courroie et la poulie, empêchant efficacement le glissement et le désalignement.
Son rapport de transmission précis le rend adapté aux équipements de convoyage légers nécessitant une grande précision de positionnement.
Le pas des dents et les spécifications sont conformes aux normes internationales (MXL, XL, L, H, etc.), permettant un remplacement et une interchangeabilité faciles.
L'efficacité de la transmission dépasse 98 %, avec des pertes de puissance minimales.
Son fonctionnement en douceur, ses faibles vibrations et son faible niveau sonore en font un produit idéal pour les environnements sensibles au bruit tels que les bureaux et les industries agroalimentaires.
La conception à faible friction réduit l'usure des courroies et des poulies et prolonge leur durée de vie.
Diverses interfaces de montage sont disponibles, notamment des trous standard, des rainures de clavette, des vis de réglage et des manchons d'expansion.
Sa conception compacte facilite l'intégration dans les systèmes de convoyage, ce qui permet de gagner de la place dans l'équipement.
Le remplacement est facile et ne nécessite pas de démontage important de l'équipement.
Fournissant des solutions de transmission de puissance fiables avec différents pas (MXL 2,032 mm, XL 5,08 mm, L 9,525 mm), ces poulies sont conçues pour la transmission de couples modérés, le convoyage léger et les applications à grande vitesse. La configuration MXL, de conception précise, répond aux exigences d'entraînement à grande vitesse des équipements compacts ; le profil XL, polyvalent, convient à diverses applications à haute vitesse ; tandis que la construction robuste de la série L allie une intégrité structurelle accrue à une tolérance à la vitesse linéaire supérieure. Ces poulies constituent la solution optimale pour les lignes d'automatisation, les machines compactes et les systèmes de manutention.
Poulie de distribution MXL
| Taper | Matériel | Traitement de surface | ||||
| Largeur de la courroie : 4,8 mm (3/16 pouce) | Largeur de la courroie : 6,4 mm (1/4 pouce) | Largeur de la courroie : 9,5 mm (3/8 pouce) | Largeur de la courroie : 12,7 mm (1/2 pouce) | Poulie | Bride | |
| A : 6 L : 10 P : 16,5 | A : 7,5 L : 11,5 P : 18 | A:11 L:15 P:22 | A : 14 L : 19 L : 25 | |||
| AW**MXL019 | AW**MXL025 | AW**MXL037 | AW**MXL050 | 6061 | 6061 | Anodisation naturelle |
| AB**MXL019 | AB**MXL025 | AB**MXL037 | AB**MXL050 | Anodisation noire | ||
| AH**MXL019 | AH**MXL025 | AH**MXL037 | AH**MXL050 | anodisation dure | ||
| AN**MXL019 | AN**MXL025 | AN**MXL037 | AN**MXL050 | Placage nickelé | ||
| - | SF**MXL025 | SF**MXL037 | - | S45C | S45C | Revêtement d'oxyde noir |
| - | SN**MXL025 | SN**MXL037 | - | Placage nickelé | ||
| - | SU**MXL025 | SU**MXL037 | - | SUS303 | - | |
Poulie de distribution XL
| Taper | Matériel | Traitement de surface | ||||
| Largeur de la courroie : 6,4 mm (1/4 pouce) | Largeur de la courroie : 7,9 mm (5/16 pouce) | Largeur de la courroie : 9,5 mm (3/8 pouce) | Largeur de la courroie : 12,7 mm (1/2 pouce) | Poulie | Bride | |
| A:7,5 L:12,5 P:21 | A:9 L:14 P:23 | A:11 L:16 P:25 | A:14 L:19 P:28 | |||
| AW**XL025 | AW**XL031 | AW**XL037 | AW**XL050 | 6061 | 6061 | Anodisation naturelle |
| AB**XL025 | AB**XL031 | AB**XL037 | AB**XL050 | Anodisation noire | ||
| AH**XL025 | AH**XL031 | AH**XL037 | AH**XL050 | anodisation dure | ||
| AN**XL025 | AN**XL031 | AN**XL037 | AN**XL050 | Placage nickelé | ||
| SF**XL025 | - | SF**XL037 | SF**XL050 | S45C | SPCC | Revêtement d'oxyde noir |
| SN**XL025 | - | SN**XL037 | SN**XL050 | Placage nickelé | ||
| SU**XL025 | - | SU**XL037 | SU**XL050 | SUS303 | - | |
Poulie de distribution L
| Taper | Matériel | Traitement de surface | ||||
| Largeur de la courroie : 12,7 mm (1/2 pouce) | Largeur de la courroie : 19,1 mm (3/4 pouce) | Largeur de la ceinture : 25,4 mm (1 pouce) | Largeur de la ceinture : 38,1 mm (1,5 pouce) | Poulie | Bride | |
| A:14 W:19 L:31(39) | A:21 L:26 P:38(46) | A:27 W:32 L:44(53) | A:40 L:45 P:57 | |||
| AW**L050 | AW**L075 | AW**L100 | AW**L150 | 6061 | 6061 | Anodisation naturelle |
| AB**L050 | AB**L075 | AB**L100 | AB**L150 | Anodisation noire | ||
| AH**L050 | AH**L075 | AH**L100 | AH**L150 | anodisation dure | ||
| AN**L050 | AN**L075 | AN**L100 | AN**L150 | Placage nickelé | ||
| SF**L050 | SF**L075 | SF**L100 | SF**L150 | S45C | SPCC | Revêtement d'oxyde noir |
| SN**L050 | SN**L075 | SN**L100 | SN**L150 | Placage nickelé | ||
Poulie de distribution H
| Taper | Matériel | Traitement de surface | ||||
| Largeur de la courroie : 19,1 mm (3/4 pouce) | Largeur de la ceinture : 25,4 mm (1 pouce) | Largeur de la ceinture : 38,1 mm (1,5 pouce) | Largeur de la ceinture : 50,8 mm (2 pouces) | Poulie | Bride | |
| A:21 L:26 P:41 | A:27 L:32 P:47 | A:40 L:45 P:60 | A:54 L:59 P:74 | |||
| AW**H075 | AW**H100 | AW**H150 | AW**H200 | 6061 | 6061 | Anodisation naturelle |
| AB**H075 | AB**H100 | AB**H150 | AB**H200 | Anodisation noire | ||
| AH**H075 | AH**H100 | AH**H150 | AH**H200 | anodisation dure | ||
| AN**H075 | AN**H100 | AN**H150 | AN**H200 | Placage nickelé | ||
| SF**H075 | SF**H100 | SF**H150 | SF**H200 | S45C | SPCC | Revêtement d'oxyde noir |
| SN**H075 | SN**H100 | SN**H150 | SN**H200 | Placage nickelé | ||
Poulie de distribution MXL

Poulie de distribution XL

Poulie de distribution L

Poulie de distribution H

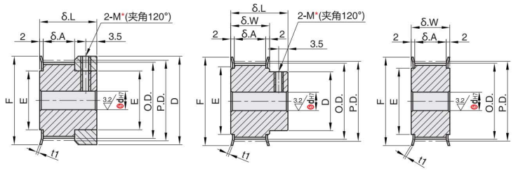
Profil de dent ① Profil de poulie
Type K Type B Type A

Nombre après △ : Nombre de dents : 23 ou moins
Les dimensions des rainures peuvent varier légèrement en fonction du nombre de dents. Entraxe des dents : 2,032 mm.
Pour les spécifications de trous d'arbre H (trou rond), V, F (trou étagé) et Y (trou étagé aux deux extrémités), il n'y a pas de trous taraudés.
L'intérieur du trou de l'arbre ne doit pas subir de traitement de surface.
* Pour les poulies de type A et les trous d'arbre avec P ou N, les deux trous taraudés sont situés à environ 120° ou 90° du centre de la gorge de la dent.
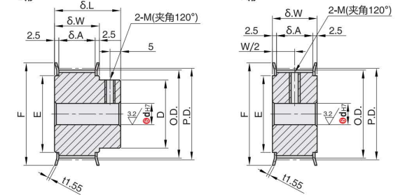
Profil de dent ① Profil de poulie
Type B Type A

Les dimensions des gorges des dents varient légèrement en fonction du nombre de dents. Pas des dents : 5,08 mm.
Pour les spécifications de trous d'arbre H (trou rond), V, F (trou étagé) et Y (trou étagé aux deux extrémités), il n'y a pas de trous taraudés.
L'intérieur du trou de l'arbre ne doit pas subir de traitement de surface.
Dimension H : L50 = 5 ; L075 = 8 ; L100 = 11
* Pour les poulies de type A et les trous d'arbre avec P ou N, les deux trous taraudés sont situés à environ 120° ou 90° du centre de la gorge de la dent.
Profil de dent ① Profil de poulie
Les dimensions des gorges des dents varient légèrement en fonction du nombre de dents. Entraxe des dents : 9,525 mm.
Pour 60 ou 72 dents, t = 2 (côtes coupées).
Pour les spécifications de trous d'arbre H (trou rond), V, F (trou étagé) et Y (trou étagé aux deux extrémités), aucun trou fileté n'est présent.
L'intérieur du trou de l'arbre ne doit pas subir de traitement de surface.
Dimension H : L50 = 5 ; L075 = 8 ; L100 = 11
Les dimensions L (entre parenthèses) sont pour 60 à 72 dents.
* Pour les poulies de configuration de type A et les trous d'arbre de type P ou N, les deux trous taraudés sont situés à environ 120° ou 90° du centre de la gorge de la dent.
Profil de dent ① Profil de poulie

Nombre après △ : Nombre de dents : 19 ou moins.
Les dimensions des rainures peuvent varier légèrement en fonction du nombre de dents. Entraxe des dents : 12,7 mm.
Pour 38 à 50 dents, t = 2 (côtes coupées).
Pour les spécifications de trous d'arbre H (trou rond), V, F (trou étagé) et Y (trou étagé aux deux extrémités), aucun trou fileté n'est présent.
L'intérieur du trou de l'arbre ne doit pas subir de traitement de surface.
Dimension H : H100 = 11 ; H150 = 14
* Pour les poulies de type A et les trous d'arbre P ou N, les deux trous taraudés sont situés à environ 120° ou 90° du centre de la gorge.